Informations générales
Protocole : Z-Wave
Dimensions : 50mm (H) х 50mm (W) х 27mm (D)
Classe IP : IP21
Poids : 100g
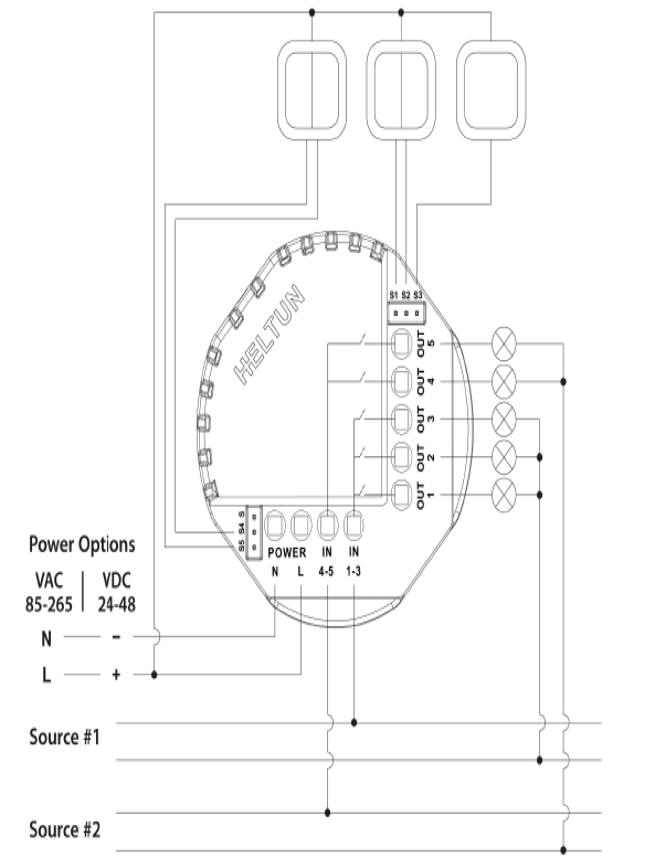
Alimentation : 85-265VAC 50Hz/60Hz, or 24-48VDC
Charge résistive maximale : 5A
Schéma de câblage :
Procédure d'inclusion / exclusion
Inclusion :
1- Se connecter au Ceos en local
2- Se rendre sur le Control Panel Z-Wave JS UI : http://ceos-« N° du CEOS ».local :8091
3- Se connecter au Control Panel Z-Wave JS UI :
4- Cliquer sur " " (en bas à droite), puis "
" (Manage nodes)
5- Sélectionner « INCLUSION » puis cliquer sur « NEXT »
6- Cliquer sur « NEXT »
7- Sélectionner « NO ENCRYPTION » puis cliquer sur « NEXT »
8- Le Z-Wave va passer en mode Inclusion
9- Mettre le Heltun HE-RS-01 en mode appairage : Réaliser un double appui sur le bouton de réglage.
10- Une fois que le module est passé en mode inclusion, une fenêtre apparait indiquant que le device est en train de s’appairer, avec son N° de noeud (ici, 54)
11- Attendre que le module termine son processus d’inclusion (environ 5 minutes). Ceci est indiqué par les informations de la colonne « INTERVIEW ». Pendant le processus d’inclusion, l’information sera en orange « NodeInfo » avec une roue tournante
12- Se rendre sur le portail d’hypervision, sur le site où le module HELTUN a été créé, puis cliquer sur le device.
13- Cliquer ensuite sur le bouton en haut à droite pour accéder aux détails du device
14- Dans le champ « Node ID », entrer le N° de noeud correspondant au module que vous avez pairé précédemment (étape 10, ici 54)
15- Cliquer sur "Sauvegarder la configuration de l'appareil"
16- La dernière étape est de synchroniser l’automate.
Exclusion :
1- Se rendre sur le manager : https://ceos-XXXX.local
2- Se rendre dans "devices" puis lancer le dépairage
3- Réaliser un double appui sur le bouton de réglage du Heltun
Liste des propriétés
Switch
Consommation électrique (kWh)
Puissance électrique (W)
Mode de relais (NC/NO)
Reset des valeurs de consommations
Etat des contacteurs après coupure électrique
Vérification du bon fonctionnement
Pour le Heltun HE-RS-01, il suffira de tester les commandes ON/OFF des contacteurs câblés.
Astuces
Factory reset :
Réaliser un appui long pendant 6 secondes sur le bouton de réglage.
Mode de relais :
Vous pouvez inverser les propriétés NO (normalement ouvert) / NC (normalement fermé) directement dur le portail d'Hypervision.
Etat des contacteurs après une coupure électrique :
Il est possible de programmer l'état d'un contacteur après une coupure électrique. Soit dans son état précédant la coupure, soit à OFF. Vous pouvez modifier ces paramètres sur le portail d'Hypervision.
Associé à