Informations générales
Protocole : Z-Wave
Alimentation : 10-24VDC / 8-24VAC
Diamètre terminaison : 0.2 to 2.5mm2
Sorties : 6 x 1-pôles libre de potentiel
- Charges type AC1: 16A 250VAC
- Charges type AC3: 750W (moteur)
- Charges type AC15: 360VA
- Courant d'appel maxi : 80A/20ms
Contacts : Commun et Normalement Fermé
Entrées : 6 x 1-pôles libre de potentiel max 10VDC
Indice de protection : IP 21
Dimensions : 85 x 105 x 60mm
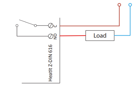
Schéma de câblage :
Procédure d'inclusion / exclusion

Inclusion :
1. Activer le mode Pairer sur le CEOS MANAGER.
2. Appuyer 1 fois sur le bouton d’inclusion repéré "INCLUDE" (la LED va clignoter).
Exclusion :
1. Activer le mode Dépairer sur le CEOS MANAGER.
2. Appuyer 1 fois sur le bouton d’inclusion repéré "INCLUDE" (la LED va clignoter).
Liste des propriétés
Sorties 1 à 6 (On/Off)
Entrées 1 à 6 (On/Off)
Entrées 1 à 6 - Fonction (Désactivée/Niveau/Front descendant/Front montant - Par défaut)
Sorties 1 à 6 - Fonction (Autonome/Contrôlée par Input 1 à 6 - Défaut)
Vérification du bon fonctionnement
Se référer au lien Tester un device
1. Depuis le Portail hypervision S&C :
Envoi d'un On sur Output 1
Envoi d'un Off sur Output 1
Les données envoyées depuis le portail doivent être prises en compte sur le module.
Astuces
Factory reset :
Rester appuyé 10s sur le bouton d'inclusion repéré "INCLUDE"
Paramétrage du fonctionnement des sorties en fonction des entrées :
Par défaut, le paramétrage est le suivant :
- Entrées 1...6 pilotent les sorties 1...6 sur un signal en front montant de tension (0V -> Tension)
Il est possible de rendre les entrées et les sorties indépendantes les unes des autres (envoie de la valeur "0" sur le paramètre "Output - Function).
Il est également possible de piloter les sorties sur 2 autres types de signaux d'entrées :
- Sur front descendant de tension (Tension -> 0V) . Envoi de la valeur "2" sur le paramètre "Input - Function".
- Sur niveau de tension (front montant et front descendant de tension). Envoi de la valeur "1" sur le paramètre "Input - Function".
- Pour revenir à la fonction sur front montant de tension (par défaut), envoi de la valeur "3" sur le paramètre "Input - Function".
- Pour désactivée une entrée (aucun signal pris en compte), envoi de la valeur "0" sur le paramètre "Input - Function".