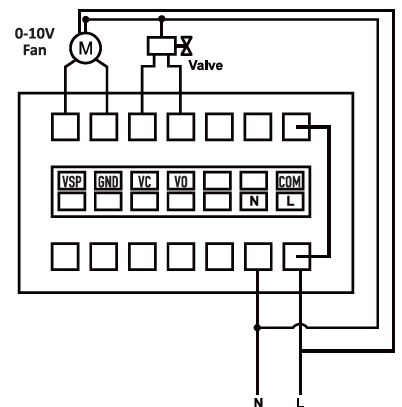
Ventilateur CC (contrôle de la vitesse du ventilateur à 3 niveaux utilisant 0-10 V) + 1 vanne à trois fils (utilisée pour le chauffage ou le refroidissement)
Informations générales
Protocole : Z-Wave
Alimentation : AC85-260V, 50/60Hz
Sonde de température : NTC 10K
Température de fonctionnement : 0-55°C
Dimensions : 86*86*14mm
Diamètre de boite d'encastrement : 60-65mm
Protection électrique : Nécessite un disjoncteur 10A
Schéma de câblage :
Procédure d'inclusion / exclusion
Inclusion :
1. Allumer ou vérifier que le thermostat soit allumé.
2. Activer le mode Pairer sur le CEOS MANAGER.
3. Appuyer 4s simultanément sur les 2 derniers boutons.
4. L’écran ci-dessous doit s’afficher.
5. Faire un appui bref sur le M.
Exclusion :
1. Allumer ou vérifier que le thermostat soit allumé.
2. Activer le mode Dépairer sur le CEOS MANAGER.
3. Appuyer 4s simultanément sur les 2 derniers boutons.
4. L’écran ci-dessous doit s’afficher.
5. Faire un appui bref sur le M.
Liste des propriétés
Température (°C ou °F)
Humidité (%)
Mode (Chaud, Froid, Ventilation, Arrêt)
Consigne Chaud (°C ou °F)
Consigne Froid (°C ou °F)
Vitesse de ventilation (Auto, Bas, Moyen, Haut)
Offset T°C sonde (X*0.1°C)
Vérification du bon fonctionnement
1. Depuis le Portail hypervision S&C :
- Envoi d'un mode
- Envoi d'une T°C de consigne
- Envoi d'une vitesse de ventilation
Les données envoyées depuis le portail doivent être prises en compte sur le thermostat.
1. Depuis le thermostat :
- Envoi d'un mode
- Envoi d'une T°C de consigne
- Envoi d'une vitesse de ventilation
Les données envoyées depuis le thermostat doivent être prises en compte sur le portail.
Astuces
Factory reset :
Non disponible
Calibrage de la sonde de mesure de T°C :
Un paramètre est disponible directement depuis le portail si vous avez besoin de calibrer la sonde de mesure de T°C interne du thermostat (paramètre "Offset T°C sonde (X*0.1°C)").
Pour cela, vous pouvez envoyer un valeur positive (si besoin de rajouter des °C) ou une valeur négative (si besoin de retrancher des °C)